औद्योगिक कैबिनेट दरवाज़ा बंदवितरण कैबिनेट, संचार कैबिनेट, नियंत्रण बॉक्स और अन्य उपकरणों का प्रमुख सुरक्षात्मक घटक है, जो सीधे आंतरिक विद्युत घटकों की सुरक्षा और सिस्टम के स्थिर संचालन से संबंधित है।
विभिन्न परियोजनाओं के लिए डिलीवरी समय और विशिष्टताओं की विविध आवश्यकताओं को पूरा करने के लिए, हमारी कंपनी के पास हमेशा स्टॉक में पांच प्रकार के सामान्य रूप से उपयोग किए जाने वाले ताले होते हैं -लांग बार लॉक, पैनल लॉक, रॉड कंट्रोल लॉक, हैंडल लॉक,रोटरी जीभ ताला. साथ ही, हम चित्र या नमूने के अनुसार अनुकूलित किसी भी गैर-मानक लॉक का समर्थन करते हैं, जो सभी प्रकार के धातु वितरण बक्से के लिए बिल्कुल उपयुक्त है।
प्लेन लॉक सबसे सामान्य प्रकार के औद्योगिक कैबिनेट दरवाज़ों में से एक है, जो सुंदर और रखरखाव में आसान दोनों है। हमारी कंपनी ने AB301, AB302, AB303, AB402, AB403 श्रृंखला के प्लेन लॉक को संरचनात्मक ताकत, सुरक्षा प्रदर्शन और विभेदित डिजाइन के संचालन अनुभव में लॉन्च किया, जो वितरण बॉक्स के विभिन्न विनिर्देशों, नियंत्रण कैबिनेट स्थापना आवश्यकताओं को पूरा कर सकता है।
| DIMENSIONS | उत्पाद संख्या | |||||||
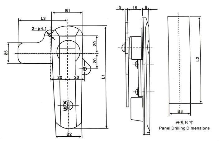
| एल1 | एल2 | एल3 | बी 1 | बी2 | ग्रे क्रोम चढ़ाना | ग्रे स्प्रे पेंट | काला पाउडर लेपित | वज़न(जी) |
| 147 | 117 | 72 | 33 | 26.5 | एबी301-1-1.2 | एबी301-1-1.8 | एबी301 | 370 |
| 120.5 | 95.5 | 65 | 30 | 23.5 | एबी301-2-1.2 | एबी301-2-1.8 | एबी302 | 290 |
| 87.5 | 62.5 | 65 | 28.5 | 23.5 | एबी301-3-1.2 | एबी301-3-1.8 | एबी303 | 215 |
मुख्य सामग्री: जिंक मिश्र धातु।
भूतल उपचार: चमकदार क्रोम, मैट, काला।
कार्य और उपयोग: बाएँ और दाएँ दरवाज़े के खुलने का एहसास, उपयोग में आसान, सीलिंग और वॉटरप्रूफ़ फ़ंक्शन के साथ।
मुख्य सामग्री: जिंक मिश्र धातु।
भूतल उपचार: चमकदार क्रोम, मैट, काला।
कार्य और उपयोग: बाएँ और दाएँ दरवाज़े के खुलने का एहसास, उपयोग में आसान, सीलिंग और वॉटरप्रूफ़ फ़ंक्शन के साथ।
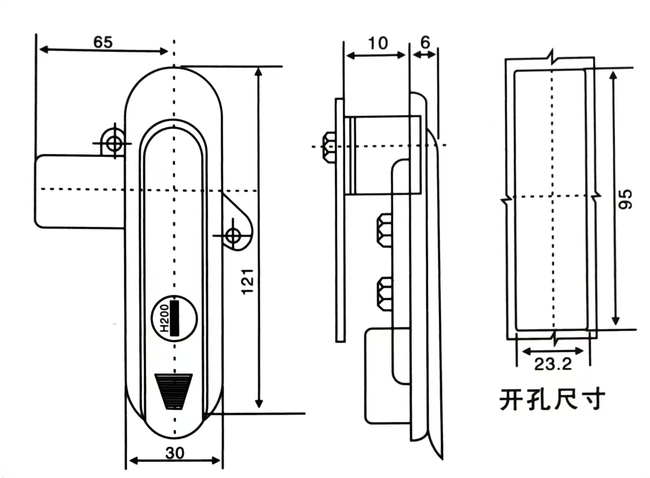
सामग्री: जिंक मिश्र धातु लॉक बॉडी, घूमने वाला शाफ्ट, गैल्वेनाइज्ड स्टील बोल्ट, प्रेशर प्लेट।
भूतल उपचार: सिल्वर ग्रे नैनो स्प्रे।
संरचना विवरण: खोलने या लॉक करने के लिए 90 डिग्री घुमाएँ।
| नमूना | एल1 | एल2 | एल3 | बी 1 | बी2 | बी 3 |
| नया AB402-ए | 123 | 95.5 | 65 | 36.5 | 30 | 23.5 |
| नया एबी403-ए | 91 | 62.5 | 65 | 33 | 28.5 | 23.5 |
| नया एबी401-ए | 151 | 117 | 72 | 36 | 30 | 26.5 |
